第6章 TH系列整定式可变弹簧支吊架(华东电力设计院标准)
1 适用范围
TH系列整定式可变弹簧支吊架(华东电力设计院标准)适用载荷范围为196~205940N,最佳位移量为40、50、80、90、120、135mm,使用温度范围为-40~120℃。
2 分类和型号表示方法
2.1 型式分类(表4-6-1)
表4-6-1 TH系列整定式可变弹簧支吊架型式分类
|
型式分类 |
TH1 |
TH2 |
TH3 |
||
|
TH1-A |
TH1-B |
TH1-C |
|||
|
结构型式 |
单耳悬挂式 |
双耳悬挂式 |
螺纹悬挂式 |
搁置式 |
滑动支撑式 |
|
名称意义 |
中间连接吊架弹簧 |
上下连接弹簧吊架 |
支架弹簧 |
||
2.2 品种分类(表4-6-2)
表4-6-2 TH系列整定式可变弹簧支吊架品种分类
|
品 种 分 类 |
1 |
2 |
3 |
|
最大工作变形量 |
75 |
150 |
225 |
2.3 型号表示方法
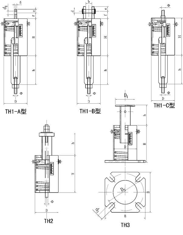
3 外形图
TH系列整定式可变弹簧支吊架的外形图见图4-6-1。
4 弹簧系列及选择表
TH系列整定式可变弹簧支吊架弹簧系列及选择表见表4-6-3。

图4-6-1 TH系列整定式可变弹簧支吊架外形图
表4-6-3 TH系列整定式可变弹簧支吊架弹簧系列及选择表
