第5章 VS系列变力弹簧支吊架(HG/T 20644-1998)
1 适用范围
VS系列变力弹簧支吊架(HG/T 20644-1998)适用的位移范围为0~180mm(30、60、90、120、150、180mm六档),载荷范围为154~21738N,使用环境温度为-19℃~200℃。
2 分类和型号表示方法
2.1 型式分类(表4-5-1)
表4-5-1 VS系列变力弹簧支吊架型式分类
|
型式分类 |
A型 |
B型 |
C型 |
D型 |
E型 |
F型 |
G型 |
|
结构型式 |
悬挂式 |
搁置式 |
支撑式 |
并联悬挂式 |
|||
|
连接型式 |
上螺纹连接 |
单耳连接 |
双耳连接 |
上调节搁置 |
下调节搁置 |
支撑搁置 |
螺纹连接 |
2.2 工作位移范围分类(表4-5-2)
表4-5-2 VS系列变力弹簧支吊架工作位移范围分类 mm
|
分类代号 |
VS30 |
VS60 |
VS90 |
VS120 |
VS150 |
VS180 |
|
工作位移范围 |
30 |
60 |
90 |
120 |
150 |
180 |
2.3 型号表示方法
VS □ □ □
弹簧编号
型式分类(A、B、C、D、E、F、G)
工作位移范围(30、60、90、120、150、180)
变力弹簧支吊架代号
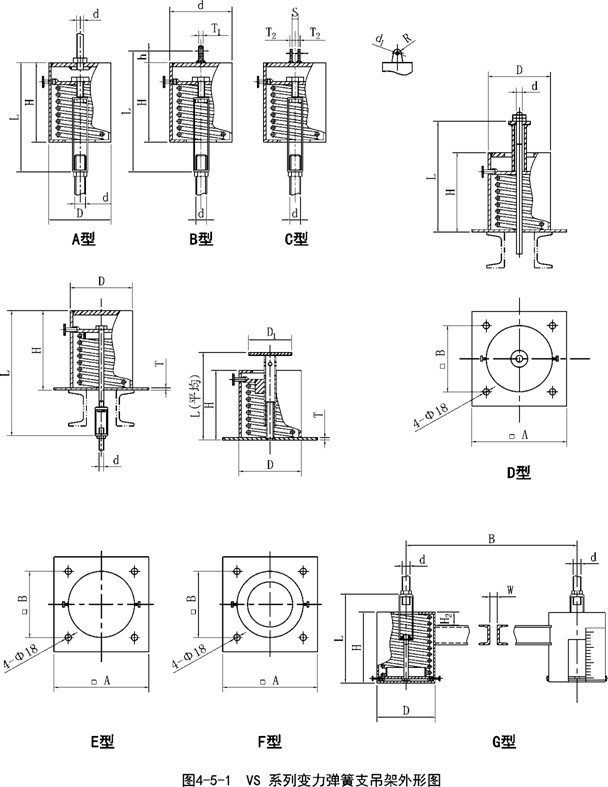
3 外形图和典型安装图
VS系列变力弹簧支吊架的外形图见图4-5-1,典型安装图见图4-5-2。
4 弹簧载荷选用表
弹簧载荷选用表见表4-5-3。 选用方法:当位移方向向上时,在表4-5-3的中线与上粗线之间查到工作载荷,再按位移量往下查得安装载荷,而且,安装载荷=工作载荷+位移量×弹簧刚度; 当位移方向向下时,在表4-5-3的中线与下粗线之间查到工作载荷,再按位移量往上查得安装载荷,而且,安装载荷=工作载荷-位移量×弹簧刚度。如果载荷变化率(载荷变化率=(工作载荷-安装载荷)除以工作载荷的绝对值×100%)大于25%,则应减少弹簧刚度,应选用大一档的工作位移范围,并再验算弹簧变化率。如果仍然无法满足,则可选用恒力弹簧支吊架。

![]() 图4-5-2 VS系列变力弹簧支吊架典型安装图 |
表4-5-3 弹 簧 载 荷 选 用 表 载荷单位:N
