第4章 TD系列可变弹簧支吊架(JB/T 8130.2-1999)
1 适用范围
TD系列可变弹簧支吊架(JB/T 8130.2-1999)适用的范围为0~120mm.载荷范围为154~21738N,使用温度范围为-20~200℃。
2 载荷位移选用表
载荷位移选用表见表4-4-1。支吊架编号为0~24号,以中线对称,上粗线和下粗线之间的载荷和工作位移为最佳值,供用户选用。支吊架的每个编号中的弹簧刚度随位移范围的增大而成比例减少。
3 分类和型号表示方法
3.1 分类和型式(表4-4-2)
表4-4-2 TD系列可变弹簧支吊架分类、型式和外形图图号
|
型式代号 |
A型 |
B型 |
C型 |
D型 |
E型 |
F型 |
G型 |
|
安装方式 |
上螺纹悬吊 |
单耳悬吊 |
双耳悬吊 |
上调节搁置 |
下调节搁置 |
支撑搁置 |
并联悬吊 |
|
外形图图号 |
图4-4-1 |
图4-4-2 |
图4-4-1 |
||||
3.2 型号表示方法
TD □ □ □
支吊架编号,0-24号
型式,见表4-4-2
工作位移范围,分为30、60、90、120mm
可变弹簧支吊架代号
4 结构和工作原理
4.1 结构
TD系列可变弹簧支吊架的结构图见图4-4-3,其通过不同悬吊型式或者支撑型式安装。内部是圆柱螺旋压力弹簧在由顶板、壳体和底板焊接的封闭圆筒体内,压力弹簧的一端压在底板或者顶板上,另一端压在指示板上。指示板通过负重螺杆和松紧螺母或者负重板承载载荷,通过圆筒体的长槽显示位移值。
4.2 工作原理
位移方向向下时,随着位移的变化,从较小的安装载荷增大到较大的工作载荷;位移方向向上时,随着位移的变化,从较大的安装载荷减少到较小的工作载荷。


图4-4-1 A型、B型、C型、G型可变弹簧支吊架外形图

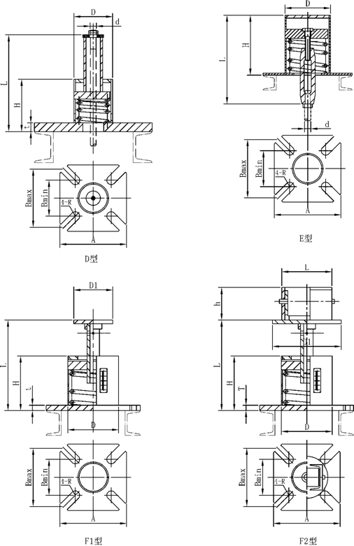
图4-4-2 D型、E型、F型可变弹簧支吊架外形图

5 选用
5.1 典型安装图(图4-4-4)

图4-4-4 可变弹簧支吊架典型安装图
5.2 选用原则(表4-4-3)
表4-4-3 可变弹簧支吊架的选用原则
|
选型类别 |
分 类 |
适 用 范 围 |
|
类型的选择 |
悬吊型(A、B、C型) |
吊架上端用吊杆生根,下端用松紧螺母和吊杆连接管道 |
|
搁置型(D、E型) |
座板搁置在梁或者楼板上,下方用吊杆悬吊管道 |
|
|
支撑型(F型) |
座于基础平面或钢结构上,顶部支撑管道。其中,F1带普通荷重板,F2带滚轮荷重板。后者用于管道水平位移大于6mm时 |
|
|
并联悬吊型(G型) |
用于管道上方不能悬吊吊架或没有足够高度,管道有水平位移以及载荷超出系列范围时 |
|
|
编号的选择 |
位移方向向上 |
从表4-4-1 载荷位移选用表内的中线和上粗线之间查得工作载荷,再按位移量往下查得安装载荷,并确定编号 |
|
位移方向向下 |
从表4-4-1 载荷位移选用表内的中线和下粗线之间查得工作载荷,再按位移量往上查得安装载荷,并确定编号 |
|
|
载荷变化率 的验算 |
载荷变化率≤25%时 |
验算合格 |
|
载荷变化率≥25%时 |
可选用加大一档工作位移范围,查得安装载荷,确定编号。如果仍然不能满足载荷变化率的要求,可选用恒力弹簧支吊架 |
注:载荷变化率=
×100%≤25%。
6 技术要求和检验
6.1 技术要求
产品应符合JB/T 8130.2-1999《可变弹簧支吊架》的技术要求。 产品所应用的弹簧应符合GB/T 23934-2009《热卷圆柱螺旋压缩弹簧 技术条件》的要求。
6.2 检验
除了检查几何尺寸和连接尺寸之外,主要需要通过负荷特性试验对支吊架作整定试验.使实测安装载荷值与标准载荷值的相对偏差度应不大于10%。
7 安装和调整
7.1 安装和调整的要求(表4-4-4)
表4-4-4 可变弹簧支吊架安装调整的要求
|
型 号 |
安 装 |
调 整 |
|
A型 |
将梁上的生根螺栓拧入吊架顶板螺孔内,并用 螺母锁紧。松紧螺母下端与管道吊杆上端螺纹连接 |
旋转松紧螺母,使指示板处于吊架安装载荷相 应刻度处,以保证定位块容易取出,而后用螺母 锁定 |
|
B型 |
梁上向下有吊杆,与吊架上的吊耳相连接。松紧 螺母下端与管道吊杆上端螺纹连接 |
|
|
C型 |
梁上向下有吊杆,与吊架上的吊耳相连接。松紧 螺母下端与管道吊杆上端螺纹连接 |
|
|
D型 |
用螺栓将吊架固定在梁或楼板上,吊杆穿过吊架 体与下端的管道相连接。旋转顶部螺母调节安装载 荷后,用螺母将调节螺母锁定 |
|
|
E型 |
用螺栓将吊架固定在梁或楼板上,松紧螺母下端 与管道吊杆上端螺纹连接 |
|
|
F型 |
用螺栓将吊架固定在梁或楼板上,支架支撑于水 平管或弯管底部 |
支架在工程设计中所选用的安装高度:当管道位移向上时,支架的安装高度是平均安装高度 值;当管道位移向下时,支架的安装高度是平均 安装高度值加上位移量 带定位块的支架,安装时应先旋转荷重柱,使 支架达到安装高度后再进行安装。若安装高度与 现场实际支撑高度有出入,可转动荷重柱进行微 调,其微调量为最大高度与最小高度之间 |
|
G型 |
旋入松紧螺母中的上吊杆与上方的梁板连接,管 道安置在吊架槽钢上的中间位置。 |
对称旋转松紧螺母,将指示板调节到安装载荷所相应的位置,用螺母锁紧 |
7.2 定位块
定位块是制造厂将支吊架位移指示板固定在安装载荷相应位置的临时定位措施,使支吊架暂时绑定在刚性状态。调整时,应逐台调整同一管线上全部支吊架,使之处于设计要求的安装载荷状态。此时,定位块容易取出但暂不取出,等到水压试验后,取出定位块后方可将管道投入运行。
运行中,指示板从安装载荷到工作载荷应无卡阻,并在正常的工作载荷和位移量范围运行。