2 建筑结构连接件
2.1 建筑结构连接件的分类(表1-3-2)
表1-3-2 建筑结构连接件分类
|
建筑结构连接件分类 |
建筑结构连接件型式 |
尺寸规格 |
图 例 |
|
钢梁夹 |
工字钢梁夹 |
GB/T 17116.3 表23 |
图1-3-2(a) |
|
H型钢梁夹 |
GB/T 17116.3 表24 |
图1-3-2(b) |
|
|
钢梁连接角钢 |
|
GB/T 17116.3 表25 |
图1-3-2(c) |
|
钢梁加强板 |
槽钢加强板 |
GB/T 17116.3 表26 |
图1-3-2(d) |
|
工字钢加强板 |
GB/T 17116.3 表27 |
图1-3-2(e) |
|
|
H型钢加强板 |
GB/T 17116.3 表28 |
图1-3-2(f) |
|
|
垫板 |
平垫板 |
GB/T 17116.3 表29 |
图 1-3-2(g) |
|
球面垫板 |
GB/T 17116.3 表30 |
图1-3-2(h) |
|
|
单眼吊板 |
焊接单眼吊板 |
GB/T 17116.3 表31 |
图1-3-2(i) |
|
栓接单眼吊板 |
GB/T 17116.3 表32 |
表1-3-2(j) |
|
|
U型吊板 |
焊接U型吊板 |
GB/T 17116.3 表33 |
表1-3-2(k) |
|
栓接U型吊板 |
GB/T 17116.3 表34 |
表1-3-2(l) |
|
|
倒U型吊板 |
焊接倒U型吊板 |
GB/T 17116.3 表35 |
表1-3-2(m) |
|
栓接倒U型吊板 |
GB/T 17116.3 表36 |
表1-3-2(n) |
|
|
连接件混凝土 |
自钻紧固件 |
GB/T 17116.3 表37 |
表1-3-2(o) |
|
膨胀螺栓 |
GB/T 17116.3 表38 |
表1-3-2(p) |
2.2 建筑结构连接件的型式图(图1-3-2)



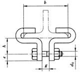
(a)工字钢梁夹 (b)H型钢梁夹 (c)钢梁连接角钢 (d)槽钢加强板
图1-3-2 建筑结构连接件的型式图((a)~(d))



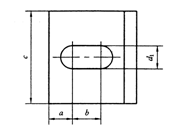
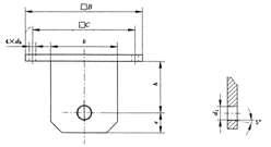
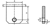
(e)工字钢加强板 (f)H型钢加强板 (g)平垫板 (h) 球面垫板

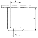
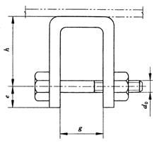
(i)焊接单眼吊板 (j)栓接单眼吊板 (k )焊接U型吊板

(l)栓接U型吊板 (m)焊接倒U型吊板 (n)栓接倒U型吊板

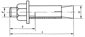
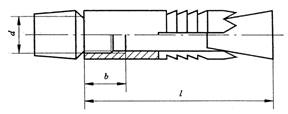
(o)自钻紧固件 (p) 膨胀螺栓
图1-3-2 建筑结构连接件的型式图((e)~(p))