第3章 管道支吊架 第3部分:中间连接件和建筑结构连接件
(GB/T 17116.3-1997)
1 中间连接件
1.1 吊杆及其配件的公称尺寸和螺纹系列
1.1.1 螺纹吊杆的材料应符合GB/T 17116.1 表4的规定。
1.1.2 吊杆及其配件的公称尺寸与吊架管部公称尺寸及其荷载等级的匹配参见GB/T 17116.2 表C1。
1.1.3 吊杆及其配件的公称尺寸、螺纹系列及最大使用荷载见GB/T 17116.3 表1。
1.2 中间连接件型式分类(表1-3-1)
表1-3-1 中间连接件型式分类
|
中间连接件分类 |
中间连接件型式 |
中间连接件型式分解 |
尺寸规格 |
图 例 |
|
吊杆 |
双头螺纹吊杆 |
|
GB/T 17116.3 表2 |
图1-3-1(a) |
|
全螺纹吊杆 |
|
GB/T 17116.3 表3 |
图1-3-1(b) |
|
|
环眼单头螺纹吊杆 |
开口环眼单头螺纹吊杆 |
GB/T 17116.3 表4 |
图1-3-1(c) |
|
|
闭口环眼单头螺纹吊杆 |
GB/T 17116.3 表5 |
图1-3-1(d) |
||
|
焊接单眼螺纹吊杆 |
GB/T 17116.3 表6 |
图1-3-1(e) |
||
|
环眼双头螺纹吊杆 |
|
GB/T 17116.3 表7 |
图1-3-1(f) |
|
|
吊杆配件 |
螺旋扣 |
短型螺旋扣 |
GB/T 17116.3 表8 |
图1-3-2(a) |
|
长型螺旋扣 |
GB/T 17116.3 表9 |
图1-3-2(b) |
||
|
连接螺母 |
等径连接螺母 |
GB/T 17116.3 表10 |
图1-3-2(c) |
|
|
异径连接螺母 |
GB/T 17116.3 表11 |
图1-3-2(d) |
||
|
U型螺母 |
|
GB/T 17116.3 表12 |
图1-3-2(e) |
|
|
吊环螺母 |
|
GB/T 17116.3 表13 |
图1-3-2(f) |
|
|
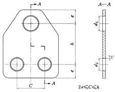
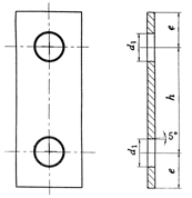
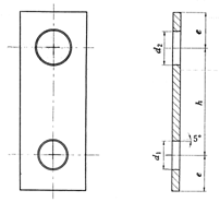
双孔连接板 |
等径双孔连接板 |
GB/T 17116.3 表14 |
图1-3-2(g) |
|
|
异径双孔连接板 |
GB/T 17116.3 表15 |
图1-3-2(h) |
||
|
三孔连接板 |
|
GB/T 17116.3 表16 |
图1-3-2(i) |
|
|
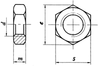
螺母 |
|
GB/T 17116.3 表17 |
图1-3-2(j) |
|
|
薄螺母 |
|
GB/T 17116.3 表18 |
图1-3-2(k) |
|
|
平垫圈 |
|
GB/T 17116.3 表19 |
图1-3-2(l) |
|
|
球(锥)面垫圈 |
|
GB/T 17116.3 表20 |
图1-3-2(m) |
|
|
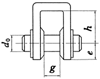
拉撑杆及座架 |
拉撑杆 |
|
GB/T 17116.3 表21 |
图1-3-3(a) |
|
座架 |
|
GB/T 17116.3 表22 |
图1-3-3(b) |
1.3 中间连接件的型式图
1.3.1 吊杆型式图(图1-3-1)



(a) (b) (c) (d) (e) (f)
注:(a)双头螺纹吊杆 (b)全螺纹吊杆 (c)开口环眼单头螺纹吊杆 (d)闭口环眼单头螺纹吊杆 (e)焊接单眼螺纹吊杆 (f)环眼双头螺纹吊杆
图1-3-1 吊杆型式图
1.3.2 吊杆配件型式图(图1-3-2)



(a) (b) (c) (d) (e) (f)
注:(a)短型螺旋扣 (b)长型螺旋扣(c)等径连接螺母 (d)异径连接螺母 (e)U型螺母 (f)吊环螺母
图1-3-2 吊杆配件型式图((a)~(f))

(g) (h) (i)

(j) (k)

(l) (m)
注:(g)等径双孔连接板 (h)异径双孔连接板 (i)三孔连接板 (j)螺母 (k)薄螺母 (l)平垫圈 (m)球(锥)面垫圈
图1-3-2 吊杆配件型式图((g)~(m))
1.3.3 拉撑杆及座架(图1-3-3)

(a)拉撑杆 (b)座架
图1-3-3 拉撑杆及座架型式图