第3章 液压阻尼器
1 适用范围
液压阻尼器是一种用以承受管道地震荷载或冲击荷载,控制管系高速振动位移,同时允许管系自由地热胀冷缩的减振装置,用以保护管道或设备免受偶然动态事故工况的破坏。
2 工作原理
液压阻尼器按用途可分为抗振动型和抗安全阀排汽反力型。当管道处在正常工况时,液压阻尼器能够适应管道因热胀冷缩而引起的缓慢移动,而对管道几乎没有产生阻尼;当管道受到突然事故工况的瞬间冲击时,液压阻尼器能够变成近似刚性来支撑管线,保护所支撑的管路不会因承受偶然冲击载荷而损坏。
3 型号标记和表示方法
3.1 型号及意义
液压阻尼器的型号及意义见表6-3-1。
表6-3-1 液压阻尼器的型号及意义
|
型 号 标 记 |
类 别 |
意 义 |
|
ZN11 |
基本型 |
基本型抗振动用阻尼器 |
|
ZN12 |
基本型抗安全阀排汽反力用阻尼器 |
|
|
ZN21 |
加长型 |
加长型抗振动用阻尼器 |
|
ZN22 |
加长型抗安全阀排汽反力用阻尼器 |
3.2 型号表示方法
液压阻尼器的型号表示方法如下:

4 外形图
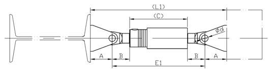
4.1 基本型液压阻尼器外形图(图6-3-1)

图6-3-1 基本型液压阻尼器外形图
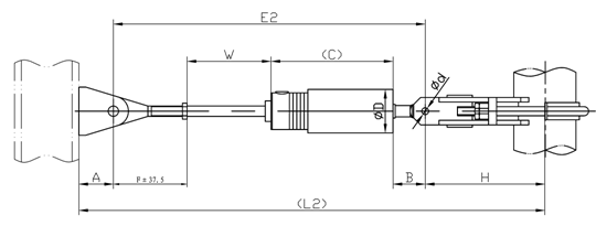
4.2 加长型液压阻尼器外形图(图6-3-2)

图6-3-2加长型液压阻尼器外形图
5 主要技术参数(表6-3-2)
表6-3-2 液压阻尼器主要技术参数
|
型号 |
额定载荷/kN |
缸径规格/mm |
行程 /mm |
铰接轴尺寸 /mm |
闭锁速度 mm/min |
闭锁后速度 mm/min |
低速行走阻力 /kN |
|
ZN11 ZN12 ZN21 ZN22 |
16 |
C40 |
150/300 |
15 |
120~360 |
ZN11、ZN21: 12~120
ZN12、ZN22: 0 |
行程为150mm时: ≤0.01Fn或0.2之间的大值 行程为300mm时: ≤0.015Fn或0.3之间的大值 行程为500mm时: ≤0.02Fn |