2.2 垂直管道管部
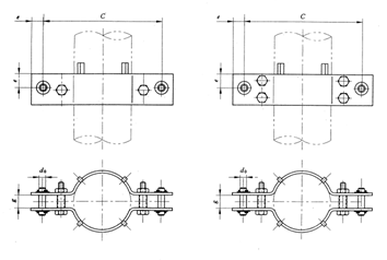
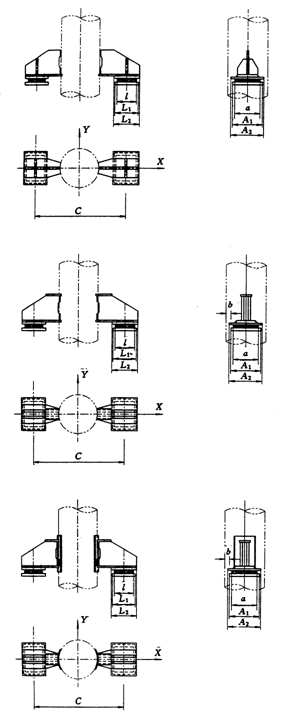
2.2.1 垂直管道钢管夹(图1-2-14)

图1-2-14 垂直管道钢管夹型式图
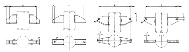
2.2.2 垂直管焊接鳍形吊板(图1-2-15)

图1-2-15 垂直管焊接鳍形吊板型式图
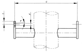
2.2.3 垂直管管形耳轴吊架(图1-2-16)

图1-2-16 垂直管管形耳轴吊架型式图
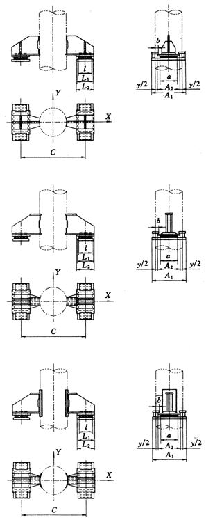
2.2.4 垂直管道焊接钢支座
2.2.4.1 垂直管道焊接滑动支座(图1-2-17)
2.2.4.2 垂直管道焊接双向滑动支座(图1-2-18)

图1-2-17 垂直管道焊接滑动支座型式图 图1-2-18 垂直管道焊接双向滑动支座型式图
2.2.4.3 垂直管道焊接导向支座(图1-2-19)
2.2.4.4 垂直管道焊接单、双向限位支座(图1-2-20)

图1-2-19 垂直管道焊接导向支座型式图 图1-2-20 垂直管道焊接单、双向限位支座型式图